今天馭典重工為您單獨寫一篇介紹nmrv50減速機參數,是因為nmrv50減速機是NMRV蝸輪蝸桿減速機中非常常用的一個型號,遇到此類問題的客戶也是很多的,所以為您單獨拿出一篇來介紹。
那么nmrv50減速機參數主要包含了尺寸,結構,速比等,下面馭典重工將為您一一介紹。
首先我們來看一下nmrv50減速機常規款圖紙(見下圖),所謂常規款,就是輸入孔帶電機法蘭,同樣,也是孔輸出。

nmrv50減速機輸入電機,常用的機殼有:63B5、71B14、71B5、80B14、80B5。配80機殼的電機,輸入孔徑則為19mm;配71機殼的電機,輸入孔徑為14mm,配63機殼的電機,輸入孔徑為11mm,但是不建議配63機殼的電機,因為功率比較小,小速比時,扭矩不夠,所以如果一定要選用63機殼的異步電機,那么建議選擇大速比。
輸入用到的電機功率有:0.12kw、0.18kw、0.25kw、0.37kw、0.55kw、0.75kw。
速比有:1/5、1/7.5、1/10、1/15、1/20、1/25、1/30、1/40、1/50、1/60、1/80、1/100。
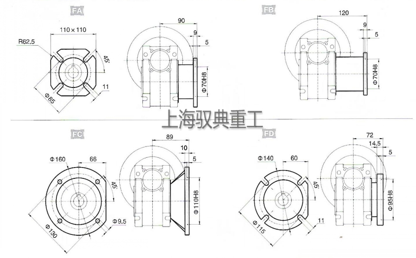
上圖是常規款,輸出為孔輸出,那這款還有輸出孔帶法蘭的結構(見下圖)

輸出為軸的結構也是非常常用的,單向輸入軸、雙向輸出軸均可,下面這個圖紙是輸出軸的尺寸圖。

看到馭典重工產品介紹版塊的朋友都知道,NMRV蝸輪蝸桿減速機,還有VS結構,即雙向輸入軸,這種結構不是很常用,但是既然介紹了本款,還是帶您看一下。

nmrv50減速機參數就為您介紹到這里了,如果以上沒有您需要的內容,那可能是馭典重工沒有介紹詳細或者遺漏了,不要著急,請及時聯系我們24小時服務熱線。


